- Üst Kategoriye Dön
- Ayarlanabilir montaj ayağı
- Buzzer
- Doğrudan bağlantı plakası
- Döndürülebilir dirsek bağlantı
- Gövde yükseltici
- Gövde, 100-240VAC
- Gövde, 240VAC/DC
- Led'li modül, kırmızı
- Led'li modül, mavi
- Led'li modül, multirenk
- Led'li modül, renksiz
- Led'li modül, turuncu
- Led'li modül, yeşil
- Montaj Ayağı
- Programlanabilir ses modülü
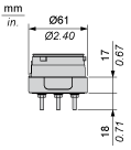
XVUZ01Q
- TEKLİF ALINIZ
- ( Karşılaştır )
Ana
|
|||||||||||||||||||||||||||||||||||||||||||||||||||||||||||||||
Tamamlayıcı
|
|||||||||||||||||||||||||||||||||||||||||||||||||||||||||||||||
Ortam
|
|||||||||||||||||||||||||||||||||||||||||||||||||||||||||||||||
Sürdürülebilirlik Teklifi
|
Fixing UnitDimensions
Modular Tower Lights Mounting
Drawing | Part number | Part name |
|---|---|---|
A1 | - | Top cover |
- | Top cover (Silver) | |
A2 | XVUC9S | Buzzer unit |
XVUC9SQ | Buzzer unit (Silver) | |
A3 | XVUC23 | Green LED unit |
XVUC24 | Red LED unit | |
XVUC25 | Orange LED unit | |
XVUC26 | Blue LED unit | |
XVUC27 | White LED unit | |
XVUC28 | Yellow LED unit | |
A4 | XVUC29 | Multi-LED unit |
A5 | XVUC29P | Multi-LED unit, Pulse signal |
A6 | XVUC9V | Sound unit |
A7 | XVUC9VP | Sound unit, Pulse signal |
A8 | XVUC020 | Extender |
XVUC020Q | Extender (Silver) | |
A9 | XVUC21B | DC body |
XVUC21BQ | DC body (Silver) | |
A10 | XVUC21M | AC body NPN |
XVUC21MP | AC body PNP | |
XVUC21MQP | AC body PNP (Silver) | |
A11 | XVUZ06 | Flexible option |
A12 | XVUZ01 | Fixing Unit - Direct mounting (3 pins) |
XVUZ01Q | Fixing Unit - Direct mounting (Silver,3 pins) | |
XVUZ03 | Fixing Unit - Direct mounting (2 pins) | |
XVUZ04 | Fixing Unit - Direct mounting (4 pins) | |
A13 | XVUZ02 | Fixing Unit - Plate with Pole (100 mm) |
XVUZ02Q | Fixing Unit - Plate with Pole (100 mm, Silver) | |
XVUZ400 | Fixing Unit - Plate with Pole (400 mm) | |
XVUZ800 | Fixing Unit - Plate with Pole (800 mm) | |
A14 | XVUZ05 | Fixing Unit - Plate with adjustment pole (100-385 mm) |
A15 | XVUC43 | Green LED unit, Flash |
XVUC44 | Red LED unit, Flash | |
XVUC45 | Orange LED unit, Flash | |
XVUC46 | Blue LED unit, Flash | |
XVUC47 | White LED unit, Flash | |
XVUC48 | Yellow LED unit, Flash | |
A16 | XVUZ100T | Fixing Unit - Metal bracket with pole (100 mm) |
XVUZ250T | Fixing Unit - Metal bracket with pole(250 mm) | |
XVUZ400T | Fixing Unit - Metal bracket with pole (400 mm) | |
A17 | XVUZ12 | Fixing plate for use on vertical support - black |
Modular Tower Lights Mounting
(1)M4 Nut x 3 (attached)
Flexible Option MountingRecommended Mounting









