- Üst Kategoriye Dön
- Butonlar
- Güç Kaynakları
- Güvenlik Çözümleri
- Güvenlik Rölesi
- Hız Kontrol Cihazları
- Işıklı Kolonlar
- Operatör Panelleri-HMI
- PLC & Modicon
- Röle ve Aksesuarları
- Servo Sürücüler & Motorlar
- Vinç Kontrol ve Joystick
- Yumuşak Yolvericiler
- Zelio Akıllı Röleler
VW3A7702
- TEKLİF ALINIZ
- ( Karşılaştır )
Ana
|
||||||||||||||||||||||||||||||||||||||||||
Tamamlayıcı
|
||||||||||||||||||||||||||||||||||||||||||
Ortam
|
Dimensions
Dimensions in mm
a | b | c | G | H | Ø |
|---|---|---|---|---|---|
95 | 293 | 95 | 70 | 375 | 6 x 12 |
Dimensions in in.
a | b | c | G | H | Ø |
|---|---|---|---|---|---|
3.74 | 11.53 | 3.74 | 2.75 | 14.76 | 0.24 X 0.47 |
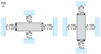
Clearance
Yorum / Soru ekleyebilmek için üye olmanız gerekmektedir.
Ortalama Değerlendirme » 

Bankalara özel taksit seçenekleri :
Yorum / Soru ekleyebilmek için üye olmanız gerekmektedir.






