- Üst Kategoriye Dön
- Butonlar
- Güç Kaynakları
- Güvenlik Çözümleri
- Güvenlik Rölesi
- Hız Kontrol Cihazları
- Işıklı Kolonlar
- Operatör Panelleri-HMI
- PLC & Modicon
- Röle ve Aksesuarları
- Servo Sürücüler & Motorlar
- Vinç Kontrol ve Joystick
- Yumuşak Yolvericiler
- Zelio Akıllı Röleler
TM2ALM3LT
- TEKLİF ALINIZ
- ( Karşılaştır )
Ana
|
||||||||||||||||||||||||||||||||||||||||||||||||||||||||||||||||||||||||||||||||||||||||||||||||||||||||||||||||||||||||||||||||||||||||||||||||||||||||||||||||||||||||||||||||||||||
Tamamlayıcı
|
||||||||||||||||||||||||||||||||||||||||||||||||||||||||||||||||||||||||||||||||||||||||||||||||||||||||||||||||||||||||||||||||||||||||||||||||||||||||||||||||||||||||||||||||||||||
Ortam
|
||||||||||||||||||||||||||||||||||||||||||||||||||||||||||||||||||||||||||||||||||||||||||||||||||||||||||||||||||||||||||||||||||||||||||||||||||||||||||||||||||||||||||||||||||||||
Sürdürülebilirlik Teklifi
|
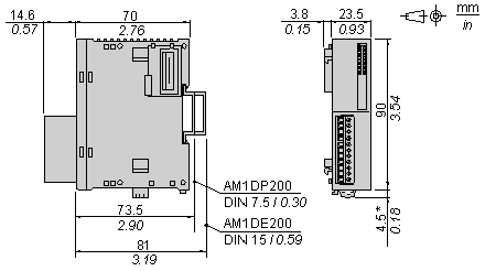
Analog Mixed I/O Module (3-channel, Thermocouple/Temperature Probe/Voltage/Current)Dimensions
NOTE: * 8.5 mm (0.33 in) when the clip-on lock is pulled out.
DIN Rail Mounting
Rail depth | Catalogue part number |
|---|---|
15 mm (0.59 in.) | AM1DE200 |
7,5 mm (0.30 in.) | AM1DP200 |
NOTE: Do not use AM1ED200 and DZ5MB200
Module Mounting on a Panel SurfaceMounting Hole Layout
Yorum / Soru ekleyebilmek için üye olmanız gerekmektedir.
Ortalama Değerlendirme » 

Bankalara özel taksit seçenekleri :
Yorum / Soru ekleyebilmek için üye olmanız gerekmektedir.








