- Üst Kategoriye Dön
- Butonlar
- Güç Kaynakları
- Güvenlik Çözümleri
- Güvenlik Rölesi
- Hız Kontrol Cihazları
- Işıklı Kolonlar
- Operatör Panelleri-HMI
- PLC & Modicon
- Röle ve Aksesuarları
- Servo Sürücüler & Motorlar
- Vinç Kontrol ve Joystick
- Yumuşak Yolvericiler
- Zelio Akıllı Röleler
ATS01N106FT
- TEKLİF ALINIZ
- ( Karşılaştır )
Ana
|
||||||||||||||||||||||||||||||||||||||||||||||||||||||||||||||||||||||||||||||||||||||||||||||||||||||||||||||||||||||||||||||
Tamamlayıcı
|
||||||||||||||||||||||||||||||||||||||||||||||||||||||||||||||||||||||||||||||||||||||||||||||||||||||||||||||||||||||||||||||
Ortam
|
DimensionsMounting on Symetrical (35 mm) Rail or Asymetrical Rail with Adaptor RHZ 66
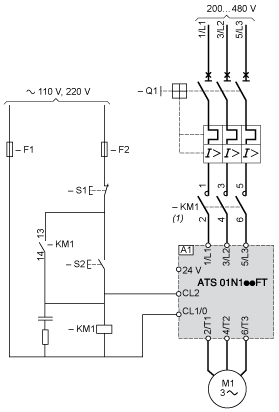
Example of 3-phase Power Supply Connection
(1)A line contactor must be used in the sequence.A1 :Soft starterQ1 :Motor circuit-breakerKM1 :ContactorsF1, F2 :Control protection fusesS1, S2 :Pushbuttons
Yorum / Soru ekleyebilmek için üye olmanız gerekmektedir.
Ortalama Değerlendirme » 

Bankalara özel taksit seçenekleri :
Yorum / Soru ekleyebilmek için üye olmanız gerekmektedir.






